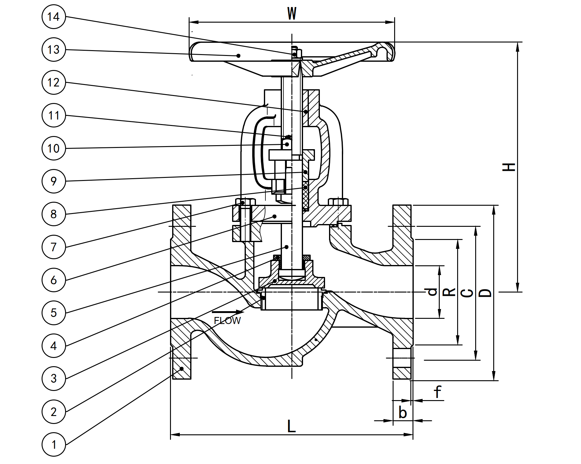
* FLANGE END : BS EN 1092-2
* OPTIONAL: CAST IRON / DUCTILE IRON
* FACE TO FACE : EN558-1
*VALVE TEST AND INSPECT: EN 12266-1
You can click the QR code below or click the email button to send an email for a quote.
| PRODUCT SERIES: | GLOBE VALVE | MODEL: | DJ41H-16Q |
| DESIGN AND MANUFACTURE: | DIN3202-F1 | STANDARD: | DIN PN 16 PN25 PN40 |
| SIZE: | DN15-DN350 | BODY MATERIAL: | CAST IRON GG25, DUCTILE IRON GGG40 |
| STEM MATERIAL: | SS304 | SEAT MATERIAL: | Cr13 , A105 ect. |
| WORK PRESSURE: | 1.6MPA | WORK TEMPERATURE: | -10~300℃ |
| CONNECTION: | EN1092-2 | TEST STANDARD: | EN12266-1(PN16) |

Mob: +86-13566754217 Tracy.Hu
E-Mail: info@ylvalve.com
E-Mail: tracy@ylvalve.com
COPYRIGHT © YONGKANG LIANGGONG VALVE CO., LTD. ALL RIGHTS RESERVED. 浙ICP备20003517号-1

